首页
关于我们
公司介绍
发展历程
组织架构
企业文化
荣誉资质
产品及应用
𐃬
产品系列
应用领域
研发与创新
𐃬
研发实力
专利与创新
智能制造
精益管理
服务与支持
𐃬
技术咨询
常见问答
媒体资讯
𐃬
公司资讯
行业资讯
展会资讯
招贤纳士
俄罗斯专享会
EN
产品及应用
产品系列
产品详情
返回
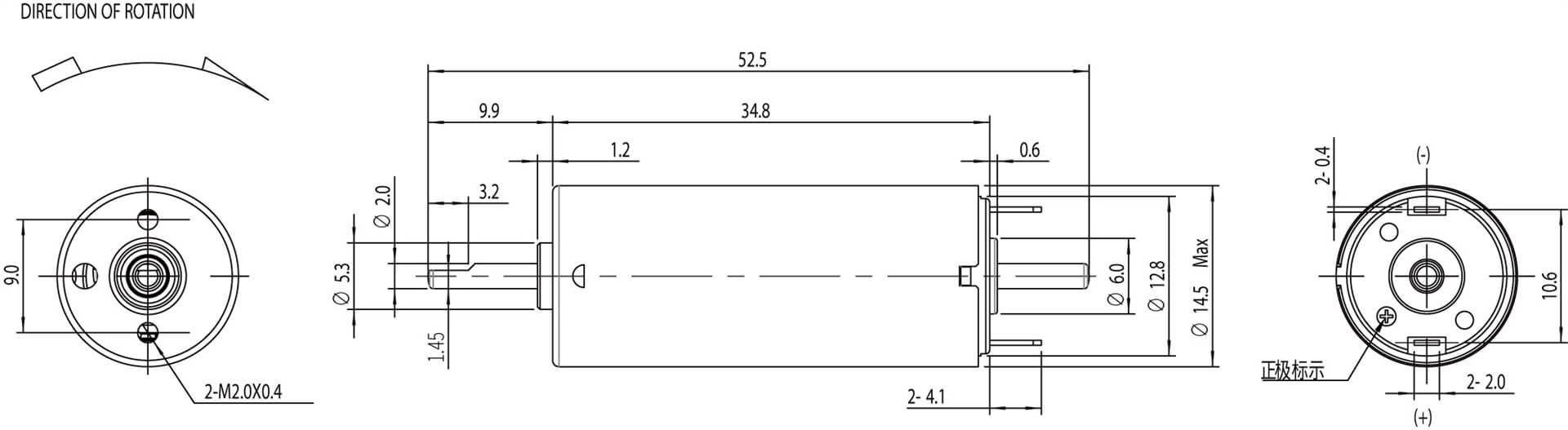
LD-RC1535
窗帘
我要咨询
技术参数
MODEL
LD-RC1535
VOLTAGE
OPERATING RANGE
V
4.0~8.0
NOM NAL
V
6
NOLOAD
SPEED
rpm
6650
CURRENT
A
0.11
AT MAXIMUM EFFICI ENCY
SPEED
rpm
4620
CURRENT
A
0.25
TORQUE
mN·m
1.2
OUTPUT
W
0.58
EFFICI ENCY
38.53%
STALL
TORQUE
mN·m
3.92
CURRENT
A
0.57
CAD图纸
如果您想了解我们公司和产品,
请及时与我们联系,期待您的来信!
惠州市俄罗斯专享会科技有限公司
86 752-3737511分机6004 / 3737502分机6003 / +86 186 2707 7399(营销)
86 752-3737566
info@Chinaloda.com
广东惠州市仲恺高新区陈江街道石泉岭路6号
社交关注
关注我们
© 2025 LODA. Privacy policy
粤ICP备87760535号
技术支持:
网联科技
网站素材来源:
喵言AI,网联提供版权支持
俄罗斯专享会